
Brief Introduction
A unique roller station is adopted in this dry wall roll forming machine, which is driven by Gear Box. Users can install spacers which are adjusted to produce dry wall plates with different width.
| NO. | Name | Quantity |
| 1 | Decoiler | 1 set |
| 2 | Guiding Device | 1 set |
| 3 | Flying Punching Device | 1 set |
| 4 | Roll Forming Machine | 1 set |
| 5 | Flying Cutting Device | 1 set |
| 6 | Automatic Support Table | 1 set |
| 7 | Hydraulic System | 1 set |
| 8 | Electric Control System | 1 set |
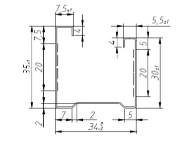
| Raw material | Galvanized sheet |
| Thickness | 0.4-0.9mm |
| Yield strength | 235MPA |
| Power source | 380V, 50Hz, 3Phase |
| Working Speed | 50meters / minute 30meters / minute |




Workflow
Decoiling - Guiding - Punching - Roll forming - Cutting - Plate


